High Temperature Deep Groove Ball Bearing 6305-2Z/VA208 6306-2Z/VA228

Short Description:

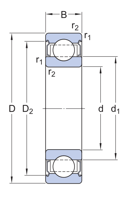
6305-2Z/VA208d:25mm D:62mm B:17mm

6306-2Z/VA228d:30mm D:72mm B:19mm


Product Detail

Product Tags

截屏2024-08-27 16.19.08

 

Designations

Boundary Dimensions
(mm)

Basic Load Ratings
(kN)

Mass(kg)

Maximum operating temperature

(°C)

d

D

B

C0

Refer.

6215-2Z/VA208

25

62

17

11.6

0.228

350

6215-2Z/VA201

30

72

19

16

0.346

350

For more information , please contact our email : info@cf-bearing.com


  • Previous:
  • Next:

  • Related Products